價 格: 詢價
起訂量:≥1
關鍵詞:
描 述:
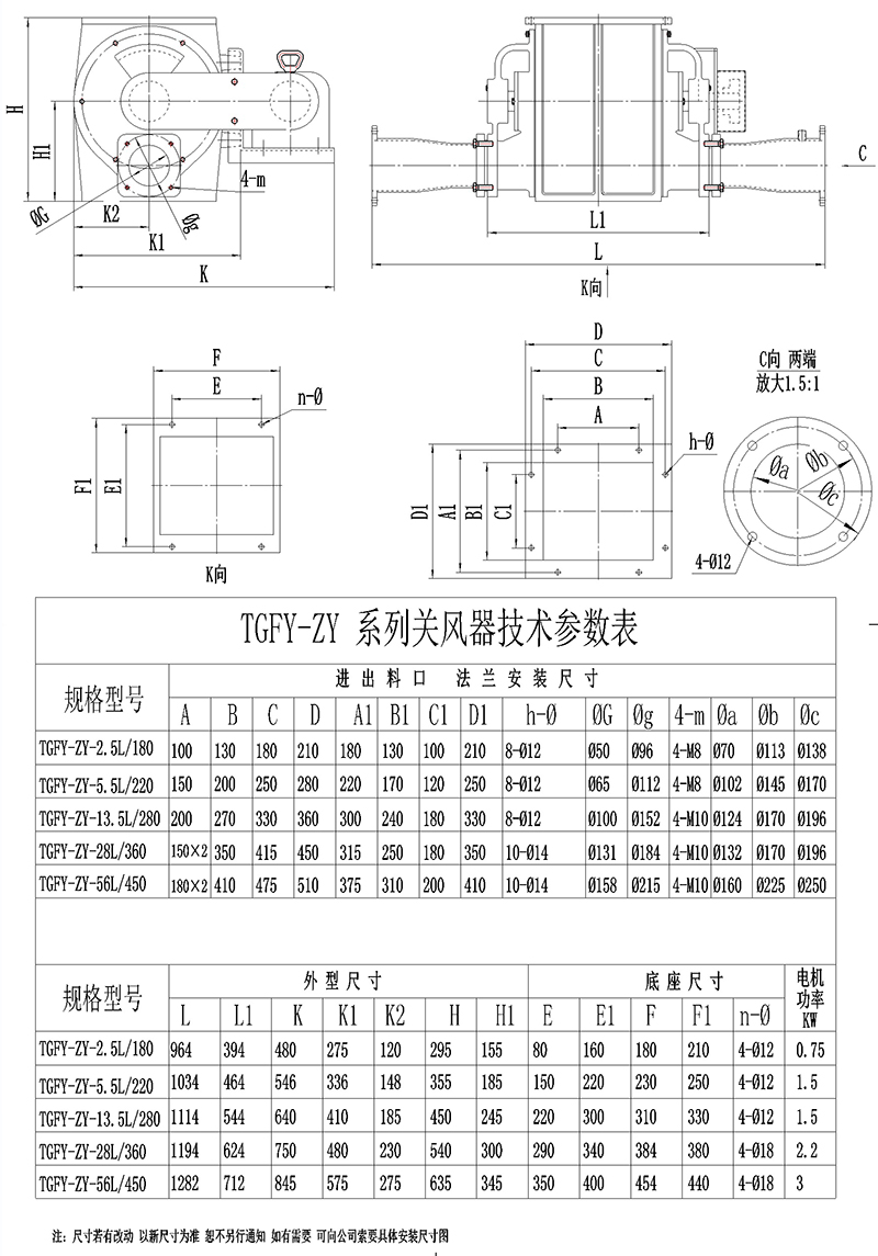
金易陽***生產:正壓關風機、氣動關風器、閉風器、關風機、星形卸料器、卸灰閥、旋轉閥、雙路閥、絞龍關風器、串聯關風器、不銹鋼關風器、電動鎖氣器、鋼性葉給料機等系列產品,我公司所生產研發此系列產品為:《正壓關風機》正壓關風機包括關風機、與關風機相連的關風器電機,正壓關風機設置在料倉的下料口,正壓關風機與送風管道連通,送風管道一端設有羅茨風機,其特征在于:在正壓關風機兩端傳動部位設有出風室,在風室上部開出進氣口,在所述送風管道的靠近羅茨風機一端的殼體上開有出氣口,出氣口通過一個分叉的氣管分別接入正壓關風機兩端傳動軸部位的進氣口,利用送風管道中的風力向下阻止正壓關風機向上的反吹的風,形成風阻密封住關風器。本實用新型與現有技術相比具有顯著的優點和有益效果:耐壓關風器安裝在下料灰倉的下料口,可以使在物料輸送中避免送風反向進入下料口而進入下料灰倉,影響下料速度和下料量。
